1.招标编号:HNTK-ZB-2024-028
2.工程名称:演达派出所围墙改造工程
3.招标单位:惠州市惠南科技服务有限公司
4.工程地点:惠南高新科技产业园
5.招标控制价:50264.12元,投标总价不得高于招标控制价。
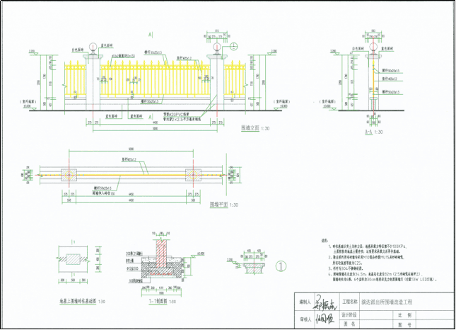
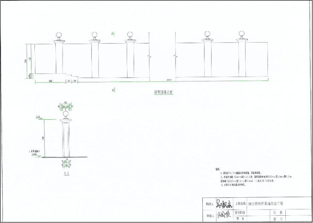
6.招标范围及内容:主要内容包括:1.拆除出现倾斜的围墙;2.拆除地坪;3.新做围墙基础;4.新做地坪;5.新做围墙实心砖柱;6.新做304不锈钢围栏等。
7.质量及工期要求:
质量要求为合格;工期为45日历天(具体开工、竣工日期以合同约定为准)。
8.资金来源:自有资金。
9.评标办法:采用经济标评标办法,以合理低价中标,按总报价的高低对各投标单位进行评分。其中,最低报价的投标单位为第一名,得100分;其他投标单位按依次递减5分确定排名及得分(如得分最高的中标单位因其自身原因无法签订合同的,则第二顺位为中标单位,以此类推)。
投标需提交以下资料:
1.投标确认书;
2.营业执照及相关资质证书(需包含建筑等相关资质、安全生产考核合格ABC证);
3.投标单位法定代表证明书及授权委托书;
以上资料均用A4纸装订成册,提交一式一份,逐页加盖公章。凡提供复印件的同时提交所有资料原件核查。
三、报名方式及报名时间
本项目采用邮箱报名的方式,于2024年6月19日下午17:30前将营业执照及相关资质证书投递至邮箱huinantoukai@163.com,并接受资格审查。
四、递交投标文件时间、开标时间及地点
1.投标截止时间:2024年06月21日08时30分;
2.开标评标时间:2024年06月21日09时30分;
3.投标文件递交及开标评标地点:广东省惠州市惠澳大道惠南高新科技产业园金达路1号。
招标单位:惠州市惠南科技服务有限公司
联系人:林小姐 联系电话:0752-5789569转822
地址:广东省惠州市惠澳大道惠南高新科技产业园金达路1号研发楼3楼
附件:方案
惠州市惠南科技服务有限公司
2024年06月14日

